- Регулятор мощности, 3-ф, тип RPM, 25А
Регулятор мощности, 3-ф, тип RPM, 150А
- Артикул:
- RPM33-150.VAR
Регуляторы RPM33 служат для регулировки мощности трёхфазных нагревателей в промышленных установках.
Отличительные особенности:
Главные преимущества
- Номинальная мощность подключаемой нагрузки — до 80 кВт.
- Характер подключаемой нагрузки — резистивный.
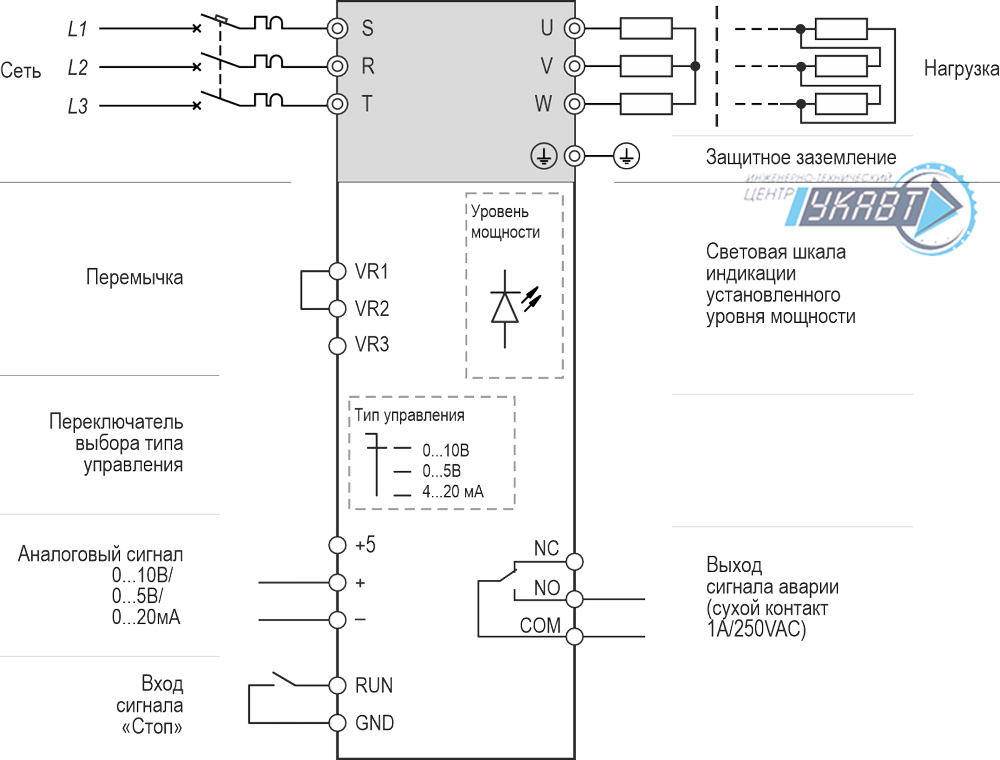
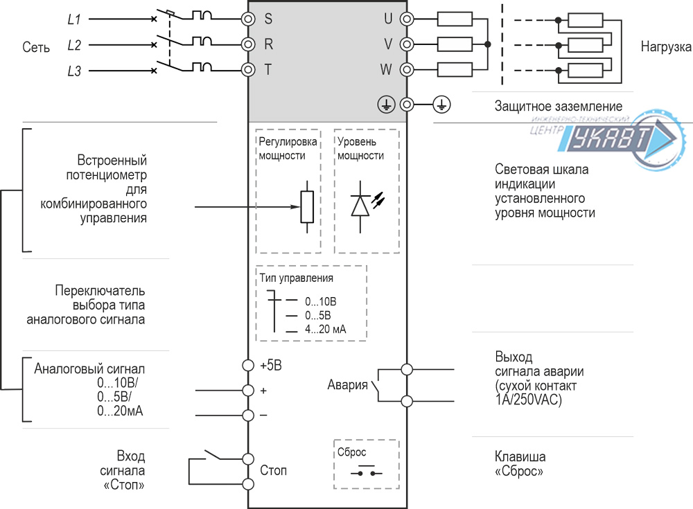
- Режим управления: ручной (с использованием потенциометра), автоматический (посредством аналогового сигнала) или комбинированный (аналоговый сигнал плюс потенциометр). Тип управляющего сигнала выбирается встроенным переключателем. Доступны сигналы: 0…5 В, 0…10 В, 4…20 мА.
- Регуляторы оборудованы входом для подключения кнопки аварийного останова, выходом сигнала аварии, индикаторами состояния и уровня выходной мощности, а также вентилятором охлаждения.
- Предусмотрена встроенная защита от перегрева.
Технические характеристики регуляторов серий RPM33
| Наименование | Значение | ||||||
|---|---|---|---|---|---|---|---|
| Модификация | RPM33-25.VAR | RPM33-40.VAR | RPM33-75.VAR | RPM33-100.VAR | RPM33-125.VAR | RPM33-150.VAR | RPM33-200.VAR |
| Аналоговый вход | |||||||
| Режим работы |
− Ток 0…20 мА − Напряжение 0…5 В − Напряжение 0…10 В |
||||||
| Входное сопротивление |
− Не более 300 Ом (в режиме Ток) − Не менее 10 кОм (в режиме Напряжение) |
||||||
| Вход для подключения потенциометра (только RPM33-125...200) | |||||||
| Параметры подключаемого потенциометра | 10 кОм / 1 Вт | ||||||
| Дискретный вход | |||||||
| Тип | Логический | ||||||
| Функциональное назначение | Аварийный стоп | ||||||
| Дискретный выход | |||||||
| Тип | Сухой контакт | ||||||
| Нагрузочная способность | 1 А / 250 VAC, 1 А / 24 VDC | ||||||
| Функциональное назначение | Сигнализация об аварии | ||||||
| Характеристики силовых цепей | |||||||
| Номинальная мощность подключаемой нагрузки, кВт | 10 | 16 | 30 | 40 | 50 | 60 | 80 |
| Номинальный ток регулятора, А | 16 | 25 | 48 | 63 | 80 | 95 | 125 |
| Тип питающей сети | Трехфазная | ||||||
| Схема соединения нагрузки | Трехпроводная (звезда без нейтрали или треугольник) | ||||||
| Род тока питающей сети | Переменный | ||||||
| Номинальная частота питающей сети, Гц | 50…60 | ||||||
| Метод регулирования | Фазовое управление полупроводниковым ключом | ||||||
| Номинальное напряжение питающей сети, VAC | 380 | ||||||
| Максимальное напряжение питающей сети, VAC | 440 | ||||||
| Электрическая прочность изоляции, VAC | 2000 | ||||||
| Сопротивление изоляции, МОм (500 VDC) | 20 | ||||||
| Общие характеристики | |||||||
| Степень защиты | IP00 | ||||||
| Температура окружающей среды (эксплуатация), °С | -10…+55 | ||||||
| Относительная влажность окружающей среды | Не более 70% (при +25°С без образования конденсата) | ||||||
| Защита |
− от перегрева (температура срабатывания встроенного датчика 75°С) − от короткого замыкания (предохранители класса aR) |
||||||
| Охлаждение | Естественное/принудительное (зависит от модификации) | ||||||
| Тип монтажа | Крепление винтами на плоскость | ||||||
| Габаритные размеры (ДхШхВ), мм |
− 150×126×176 (RPM33-25) − 157×126×176 (RPM33-40) − 220×126×176 (RPM33-75…100) − 295×148×215 (RPM33-125…200) |
||||||
| Масса нетто, кг |
− 2,20 (RPM33-25…40) − 2,75 (RPM33-75…100) − 6,10 (RPM33-125…200) |
||||||
Модификации регуляторов серий RPM33. Рекомендуемые параметры нагрузки
Рекомендуемые модели регуляторов сопоставленные с параметрами нагрузки
| Параметры нагрузки | Параметры нагрузки | |
|---|---|---|
| Номинальная мощность, кВт | Номинальный ток, A | |
| RPM33-25.VAR | 10 | 16 |
| RPM33-40.VAR | 16 | 25 |
| RPM33-75.VAR | 30 | 48 |
| RPM33-100.VAR | 40 | 63 |
| RPM33-125.VAR | 50 | 80 |
| RPM33-150.VAR | 60 | 95 |
| RPM33-200.VAR | 80 | 125 |
Чертежи
Схемы подключения
Файлы для скачивания
Документация, инструкции и руководства по эксплуатации
Оплата
Оплата по счету.
Счет можно выставить самостоятельно, воспользовавшись личным кабинетом. Либо связаться с нами любым удобным способом.
После выставления счета - товар переходит в резерв на 3 дня.
Оплата банковской картой - оплатить можно банковской картой при оформлении заказа на сайте.
Принимаем карты: Visa, MasterCard, МИР, JCB.
Доставка
Самовывоз: забрать заказ можно в нашем офисе по адресу: Комсомольский проспект д.2 офис 604
Понедельник - Четверг с 9:00-17:00
Пятница с 9:00-16:00.
Доставка по России
Доставка возможна курьерской службой: Dimex, СДЭК, Деловые Линии, DPD, ПЭК, GTD.
Специалисты готовы ответить на любые интересующие Вас вопросы:
Заказ можно забрать здесь:
ИНЖЕНЕРНО-ТЕХНИЧЕСКИХ ЦЕНТР "УКАВТ"
Время работы: с 9.00 - 17.00 (Понедельник-Четверг) c 9.00 - 16.00 (Пятница)
Адрес: город Челябинск, Комсомольский проспект дом 2 офис 604
Телефон: +7 (351) 700-75-17
Доставка: по всей России



















